|
|
| JRF Series Coal Stove |
The hot air furnace for the generic device, with a wide range of materials supporting the use of drying Widely used in food, seed, feed, fruits, dehydrated vegetables, edible fungus, white fungus, tea, tobacco and other agricultural products, food, pharmaceuticals, chemical raw materials, light and heavy industrial products heated desiccant, can also be used for a variety of facilities such as heating and dehumidification Treasury.
Principle of Work Set the stove burner and heat exchanger into one high-temperature furnace parts to the latest indirect heat exchanger technology, smoke and air, absolutely non-polluting heating, high thermal efficiency (up to 60-75%), heating up quickly, small size , installation convenience, the use of reliable and low cost (compared with a ton of boiler heating system of the boiler heating system is equivalent to only half the price).
|
 | Features Measures taken to high temperature, making it hot stove tube life greatly extended and scouring the use of the gas vertical-type heat sink and vacuum extraction methods, heat transfer is not part of the plot of dust, there is no need to clear, stable thermal performance. Available a variety of coal or firewood as fuel, and equipped with secondary combustion device into the wind completely. The furnace of the technical and economic indexes have reached the leading domestic level.
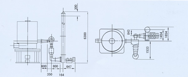
Process
Technical parameters
| Name \ Model |
JRF-15 |
JRF-20 |
JRF-30 |
JRF-40 |
JRF-60 |
JRF-80 |
JRF-100 |
| Inside tube diameter |
760 |
760 |
1170 |
1170 |
1470 |
1670 |
1870 |
| Outside tube diameter |
1280 |
1280 |
1840 |
1840 |
2200 |
2460 |
2700 |
| Total high |
3500 |
3500 |
4260 |
4760 |
4810 |
5110 |
5310 |
| Equipment weight |
3.15T |
3.65T |
6.8T |
7.5T |
9.8T |
11.7T |
13.5T |
| Diameter of hot air exports |
300 |
300 |
500 |
500 |
500 |
600 |
600 |
| A high degree of hot air exports |
1585 |
1585 |
1670 |
1670 |
1670 |
1770 |
1770 |
| Diameter gas export |
250 |
250 |
250 |
250 |
250 |
300 |
320 |
| High flue gas exports |
2050 |
2050 |
2220 |
2220 |
2220 |
2385 |
2385 |
| Horn Elbow Model |
XZD/G φ578 |
XZD/G φ810 |
| The volume of coal consumption per hour |
43kg |
57kg |
85kg |
115kg |
170kg |
230kg |
286kg |
| Value of coal combustion |
5000kca/h |
| Thermal efficiency |
70-75% |
75-80% |
| Citation smoke blower models |
Y5-47-3.15C-1.5KW |
Y5-48-4C-2.2KW |
Y5-48-4C-3KW |
Y5-47-4C-3KW |
Y5-47-4C-4KW |
Y5-47-5C-7.5KW | Note: Environmental baseline standard temperature by 18 ℃ ± 2 ℃. The calorific value of coal in order to calculate 5500kcal/kg. Table hot air temperature is determined by the volume of output of wind. Stove JRF4-based air temperature over 200 ℃ up to, JRF5, JRF6 maximum air temperature above 300 ℃ (500 ℃ up to the special manufacture of the above), users need to be adjusted. Maximum air temperature above 300 ℃ (500 ℃ up to the special manufacturing and above). Users need to be adjusted. Stove smoke high windows configuration: JRF4 type 3-5 meters, JRF5, JRF6 type to 5-8 meters. Dimension table location corresponding to the installation diagram Stove. The lower part of the medial wall of the furnace of fire-resistant layer to furnace grate Office as a starting point, its height: JRF4-4-type of 0.5 meters, can be installed at the scene. JRF6 chain grate type combustion device. |
PDF Download
|
|